Vero Door Vero Door

150W Rated Power High-Speed Intelligent Automatic Barrier Gates 24V DC Solar Security Road for Outdoor Parks

Still deciding? Get samples of $ !
Order Sample

Product Description

📋 Basic Information
Model NO.KPS-KJ-9001
AuthenticationBiometric, Proximity Detection, CE
Installation MethodPole Mount
IntegrationParking Management System
MaterialAluminum Alloy
Operating SystemAndroid / iOS
Power SupplyAC 220V±10% 50/60Hz; DC 24V 15A
TechnologyLicense Plate Recognition
Protection GradeIP44
Rated Power150W / 280W
Service Life≥ 1 Million Times
Automatic Barrier Gate Overview
⚙️ Product Description
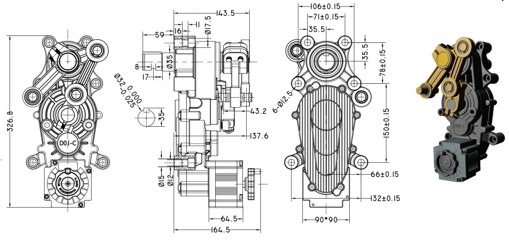
Product Mechanism
The movement features a compact structure with side fixation installation.
Die-cast aluminum alloy main body ensures mechanical strength and rapid heat dissipation.
Helical gear reduction transmission provides high efficiency and shock resistance.
DC brushless movement allows for stable transmission and large output torque.
Safe 24V DC motor voltage ensures operational security and smooth speed regulation.
📊 Technical Specifications
Standard Conditions:
• Insulation Resistance: ≥ 100MΩ
• Electrical Strength: 700V/S without breakdown
• Motor Temperature Rise: ≤75K
• Operation Noise: ≤55dB
• Working Environment: -35℃ to 80℃
• Humidity: ≤90% (no condensation)
Technical Layout
🚧 Compatible Rod Types
Rod Type A
Rod Type B
⚡ Motor Parameters
Motor Details 1
Motor Details 2
Model Output Power Voltage Rated Current Lifting Time
D01C-0.8S120WDC24V8A0.8s-1.5s
D01C-1.5S120WDC24V8A1.5s-3.0s
D01C-3.0S120WDC24V8A3.1s-7.0s
🌟 Professional Advantages
Our manufacturing facility integrates R&D, production, and service, operating under ISO9001:2015 quality management. We specialize in heavy-duty barrier gates, intelligent passage systems, and license plate recognition equipment. With a facility covering 10,000 square meters and a team of senior engineers, we provide high-end, standardized channel solutions globally.
Factory Overview Quality Control
📜 Certifications & Packaging
Certificates Packaging
Frequently Asked Questions
Q1: In which scenarios are these barrier gates suitable? A: They are ideal for residential/commercial entrances, parking lot systems, expressway toll stations, logistics parks, and schools.
Q2: What triggering methods are supported? A: The series supports remote control, license plate recognition, ground induction loops, Bluetooth/WIFI mobile control, and smart platform integration.
Q3: Can the gate operate in extreme weather conditions? A: Yes, it features IP54/IP68 protection, operates from -40℃ to +80℃, and includes overcurrent and lightning protection.
Q4: What types of barrier poles can I choose from? A: Options include standard straight rods (2-6m), curved rods for low spaces, fence poles for anti-climbing, and LED advertising rods.
Q5: What are the advantages of the 24V DC brushless motor? A: The 24V DC motor is safer than traditional AC motors, produces low heat, offers stable transmission, and allows for precise buffer deceleration during operation.
Q6: What is the lifting and lowering time for the barrier? A: The lifting time is adjustable between 1.5 seconds to 6 seconds depending on the specific model and configuration.

Related Products